|
Кількість
|
Вартість
|
||
|
|
|||
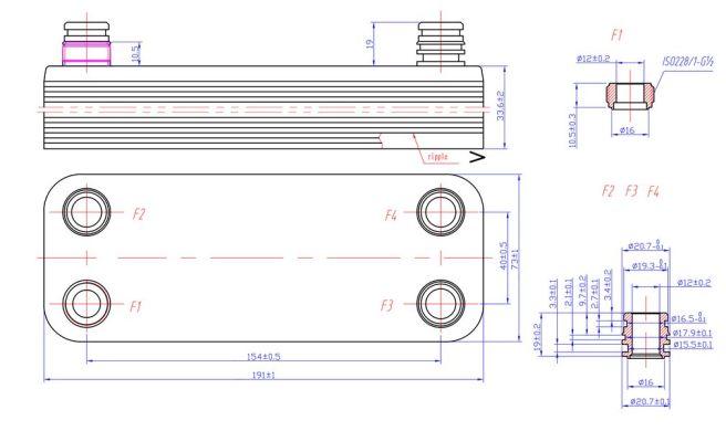
Теплообмінник C30.027 має унікальну форму і компонування, яку в своїх котлах застосовує виключно виробник Vaillant, і повністю відповідає моделі цього виробника з артикулом 065131 або моделі 17B1901215 від Zilmet. Ця форма в ідеальній точності відтворена авторизованим заводом, розташованим в Республіці Корея, який створив модель C30.027 з використанням тих же матеріалів, креслень і виробничих форм, що і початковий виробник. Це підтверджується наявністю тих же кріпильних штуцерів - трьох для закріплення за допомогою скоби, і одного - для установки за допомогою гайки, які різко полегшують установку теплообмінника в котлі. Сам виріб, будучи паяним теплообмінником, створено за звичайною для таких виробів технології - з набору однакових нержавіючих пластин, припаяних один до одного.
Довжина теплообмінника C30.027 - 191 мм. Всі штуцери для його закріплення в котлі розташовані симетрично, тому відстань між їх центрами становить 154 і 40 мм. Кількість пластин - 12.
Модель C30.027 встановлюється на такі котли:
- Vaillant Atmomax Pro VUW 180 / 2-3, 180 / 2-3 R1, VUW 200 / 2-3, 200 / 2-3 R1, VUW 240 / 2-3 , 240 / 2-3 R1, 240 / 2-3 R3, 240 / 2-3 R1;
- Vaillant Turbomax Pro VUW 202 / 2-5, 202 / 2-5 R1, 202 / 2-5 R3, 242 / 2-5, 242 / 2-5 R1, 242 / 2-5 R2, 242 / 2-5 R3, 282 / 2-5, 282 / 2-5 R1, 282 / 2-5 R2, 282 / 2-5 R3;
- Vaillant Atmomax Plus VUW 200 / 2-5, 200 / 2-5 R1, 200 / 2-5 R3, 240 / 2-5, 240 / 2-5 R1, 240 / 2-5 R3, 280 / 2-5, 280 / 2-5 R1, 280 / 2-5 R3;
- Vaillant Turbomax Plus VUW 182 / 2-3, 182 / 2-3 R1, 182 / 2-3 R2, 202 / 2-3, 202 / 2-3 R1, 202 / 2-3 R2, 242 / 2-3, 242 / 2-3 R1, 242 / 2-3 R2, 202 / 2-3 R3, 282 / 2-3, 282 / 2-3 R1, 282/2 -3 R2, 282 / 2-3 R3;
- Vaillant Ecomax 824/2 E, 828/2 E;
- Vaillant VMW 246 / 2-7, 286 / 2-7;
- Vaillant Aquaplus, Aquablock VUI 242-7, 242-7 R2, 240-7 R3, 242-7 R3;
Рекомендуємо придбати прокладки з артикулами T7.426 /140002056 та T10.018 до цього теплообмінника для забезпечення герметичності та коректності монтажу!!!
Будь-яка модель пластинчастого теплообмінника, навіть незвичайної форми від виробника Vaillant, може бути з легкістю замінена на аналогічну з великою кількістю пластин. Як правило, це є навіть рекомендованим рішенням при ремонті котла - така заміна однозначно йде на користь всій системі опалення і гарячого водопостачання, і продовжує термін служби її компонентів.

