|
Кількість
|
Вартість
|
||
|
|
|||
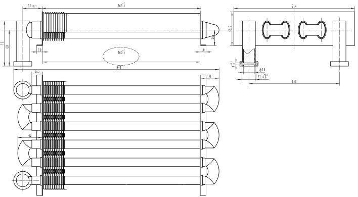
Теплообмінник C40.162 ставиться на котли виробництва італійського концерну Biasi. Італійський завод-виробник удосконалив вихідну модель для випуску на потужностях своєї партнерської фабрики, що зробило C40.162 більш надійною і довговічною при дотриманні всіх розмірів і допусків, а також високого рівня якості вихідної моделі. Так, можна помітити, що корпус цього пристрою використовує більш класичне рішення в порівнянні з аналогами; але патрубки зроблені в форматі використовуваному виключно теплообмінниками Biasi, і призначені для фіксації за допомогою фірмових кліпс цього виробника. Також, C40.162, аналогічно італійським теплообмінникам, має обмежувальні пластини по краях робочої частини з характерним загином.
Довжина робочої частини C40.162 - 260 мм. Кріплень або отворів для датчиків NTC на цій моделі немає. Довготривалий захист пристрою забезпечує фарбування термостійкою алюмінійовмісною фарбою.
Використовується в котлах:
- Biasi Nova Parva M90.24S, M90.24A (тут і нижче - BI1202101);
- Biasi Parva Comfort -M32.24S60, M32.24A60;
- Biasi Parva Control - M90.24SV, M90.24AV;
- Biasi Solar Romstal M90B.24S, M90B.24A;
- Biasi Delta M97.24DM / F (BI1452100).
Теплообмінники, вироблені на італійському заводі Biasi мають різні артикули в залежності від кількості пластин робочої частини: BI1452100 має більше пластин ніж BI1202101. Теплообмінник C40.162, вироблений на партнерському заводі, позбавлений цього недоліку - він універсальний і ставиться на обидві моделі котлів.
Рекомендуємо придбати прокладки c40.398_1 до цього теплообмінника для забезпечення герметичності та коректності монтажу!!!



